CONSTRUCTIONS SECTIONAL VIEW (3M-3LM)
32-200/3.0 - 32-200/4.0 - 32-200/5.5 - 40-200/5.5 - 40-200/7.5 - 40-200/11 50-160/5.5 - 50-160/7.5 - 50-200/9.2 - 50-200/11 - 50-200/15
CONSTRUCTIONS 3S-3LS
32-200/3.0 - 32-200/4.0 - 32-200/5.5 - 40-200/5.5 - 40-200/7.5 - 40-200/11 50-160/5.5 - 50-160/7.5 - 50-200/9.2 - 50-200/11 - 50-200/15
CONSTRUCTIONS 3P-3LP
32-200/3.0 - 32-200/4.0 - 32-200/5.5 - 40-200/5.5 - 40-200/7.5 - 40-200/11 50-160/5.5 - 50-160/7.5 - 50-200/9.2 - 50-200/11 - 50-200/15
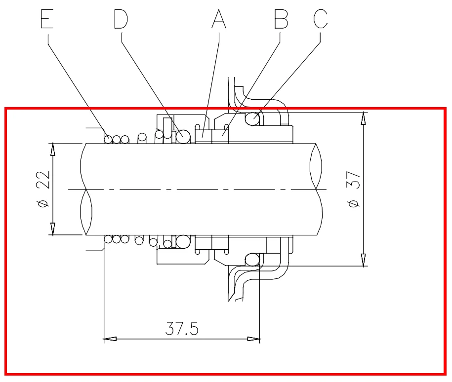
MECHANICAL SEAL 3 SERIES
MECHANICAL SEAL 3L SERIES
CONSTRUCTIONS 3M-3LM DIAGRAM AND ELECTRIC CONNECTIONSTHREE PHASE MOTOR
EXTENSION MOTOR SHAFT
FLEXIBLE COUPLING
COUNTER FLANGE
MaterialAISI 304 upon request GASKET
Material EPDM version for standard FPM version for 3MH-3SH-3PH | |||||||||||||||||||||||||||||||||||||||||||||||||||||||||||||||||||||||||||||||||||||||||||||||||||||||||||||||||||||||||||||||||||||||||||||||||||||||||||||||||||||||||||||||||||||||||||||||||||||||||||||||||||||||||||||||||||||||||||||||||||||||||||||||||||||||||||||||||||||||||||||||||||||||||||||||||||||||||||||||||||||||||||||||||||||||||||||||||||||||||||||||||||||||||||||||||||||||||||||||||||||||||||||||||||||||||||||||||||||||||||||||||||||||||||||||||||||||||||||||||||||||||||||||||||||||||||||||||||||||||||||||||||||||||||||||||||||||||||||||||||||||||||||||||||||||||||||||||||||||||||||||||||||||||||||||||||||||||||||||||||||||||||||||||||||||||||||||||||||||||||||||||||||||||||||||||||||||||||||||||||||||||||||||||||||||||||||||||||||||||||||||||||||||||||||||||||||||||||||||||||||||||||||||||||||||||||||||||||||||||||||||||||||||||||||||||||||||||||||||||||||||||||||||||||||||||||||||||||||||||||||||||||||||||||||||||||||||||||||||||||||||||||||||||||||||||||||||||||||||
LƯU Ý:
Sản phẩm Máy bơm ly tâm inox EBARA 3 Series 50Hz - Phần 2 được phát triển liên tục, thông tin có thể có thay đổi mà không kịp thời thông báo đến Quý khách hàng!









.PNG.webp)



Đánh giá sản phẩm của chúng tôi