Din 2633 flange dimensions
Din 2633 flange dimensions
Mặt bích DIN 2633 là một thành phần không thể thiếu trong các hệ thống ống dẫn hiện nay. Được thiết kế dựa trên tiêu chuẩn DIN của Đức, mặt bích DIN 2633 sở hữu các đặc điểm nổi bật về kích thước và chất lượng, đảm bảo hiệu suất hoạt động tối ưu. Bài viết này sẽ giúp bạn hiểu rõ hơn về kích thước cũng như các thông số kỹ thuật của mặt bích DIN 2633.
Bài viết này sẽ giúp bạn tìm hiểu sâu hơn về ống inox, từ cấu tạo, ưu nhược điểm cho đến ứng dụng thực tế của nó trong các ngành công nghiệp.
Giới thiệu về mặt bích DIN 2633
Định nghĩa và cách sử dụng mặt bích DIN 2633
Mặt bích DIN 2633 là loại mặt bích được sản xuất theo tiêu chuẩn DIN - một tiêu chuẩn kỹ thuật được sử dụng rộng rãi tại Đức và nhiều nước khác trên thế giới. Mặt bích này được sử dụng để kết nối các đoạn ống, tạo ra một hệ thống ống dẫn kín, đảm bảo sự chuyển dịch của chất lỏng một cách an toàn và hiệu quả.
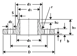
Chi tiết kích thước của mặt bích DIN 2633
Kích thước ngoài và trong của mặt bích DIN 2633
Mặt bích DIN 2633 có kích thước ngoài và trong khác nhau tùy thuộc vào đường kính của ống mà nó được kết nối. Đường kính ngoài thường lớn hơn đường kính trong, tạo ra một không gian cho việc lắp đặt các vật liệu kết nối như bulông, ốc vít.

Kích thước của lỗ vít mặt bích
Kích thước của lỗ vít trên mặt bích DIN 2633 cũng được thiết kế dựa trên tiêu chuẩn DIN. Lỗ vít có kích thước phù hợp để bulông, ốc vít có thể đi qua mà không gây ra sự cản trở. Mặt bích DIN 2633 tạo nên một yếu tố crucial trong nhiều hệ thống ống công nghiệp, từ các nhà máy chế biến, sản xuất đến các trạm xử lý nước. Đặc điểm nổi bật của mặt bích này là khả năng chịu lực cao, độ bền đáng kể và khả năng chống corrosion tốt. Những điểm mạnh này khiến mặt bích DIN 2633 trở thành một lựa chọn hàng đầu cho các hệ thống ống phức tạp yêu cầu sự đảm bảo an toàn hàng đầu.
Độ dày và đường kính của mặt bích
Độ dày của mặt bích DIN 2633 thường được thiết kế dày dặn để đảm bảo độ bền và khả năng chịu lực tốt. Đường kính của mặt bích phụ thuộc vào đường kính của ống mà nó được kết nối. Về mặt kỹ thuật, mặt bích DIN 2633 có kích thước và hình dạng được tính toán một cách chính xác, phù hợp với các yêu cầu cụ thể của hệ thống ống. Mỗi mặt bích được sản xuất theo các quy định nghiêm ngặt của tiêu chuẩn DIN để đảm bảo phù hợp với các thông số kỹ thuật cần thiết.
Tiêu chuẩn và thông số kỹ thuật của mặt bích DIN 2633
Vật liệu và cấu trúc của mặt bích DIN 2633
Mặt bích DIN 2633 thường được làm từ thép không gỉ hoặc thép carbon, đảm bảo độ bền và khả năng chịu lực tốt. Cấu trúc của mặt bích bao gồm phần trung tâm và các lỗ vít được bố trí xung quanh. Sự linh hoạt trong việc lắp đặt là một trong những lợi ích lớn khác của mặt bích DIN 2633. Hai hay nhiều mặt bích có thể được gắn kết với nhau để tạo thành một hệ thống ống lớn hơn, giúp giải quyết các vấn đề liên quan đến kích thước và hình dạng của ống.
Yêu cầu tiêu chuẩn cho mặt bích DIN 2633 theo DIN Standards
Theo tiêu chuẩn DIN, mặt bích DIN 2633 phải đảm bảo các yêu cầu về kích thước, chất lượng vật liệu và cấu trúc. Đặc biệt, kích thước của mặt bích và lỗ vít phải tuân theo các quy định cụ thể của tiêu chuẩn DIN. Độ chính xác trong việc phối hợp các mặt bích cùng nhau là yếu tố quyết định để không có rò rỉ xảy ra, đảm bảo hiệu suất làm việc tốt nhất cho hệ thống ống.Tóm lại, mặt bích DIN 2633 là một phần quan trọng không thể thiếu trong việc thiết lập hệ thống ống công nghiệp.
Ứng dụng của din 2633 flange dimensions
Mặt bích din 2633 flange dimensions
Mặt bích DIN 2633 được sử dụng rộng rãi trong công nghiệp hóa chất, giúp kết nối các đoạn ống dẫn chất lỏng hóa chất một cách an toàn và hiệu quả.

Hãy liên hệ với chúng tôi để tìm hiểu thêm về ống inox phù hợp với nhu cầu của bạn. Chúng tôi cam kết cung cấp sản phẩm chất lượng cao và dịch vụ tốt nhất để đáp ứng mọi yêu cầu của bạn trong lĩnh vực ống inox và van inox.
Mặt bích DIN 2633 trong các hệ thống cấp thoát nước
Ngoài ra, mặt bích DIN 2633 cũng được ứng dụng trong các hệ thống cấp thoát nước, giúp tạo ra một hệ thống ống dẫn kín, đảm bảo sự chuyển dịch của nước một cách an toàn. Với độ bền vững chắc, tính năng linh hoạt và khả năng chịu áp lực cao, loại mặt bích này đem lại cho người sử dụng sự yên tâm về hiệu suất và độ an toàn của hệ thống ống của họ.
Cách chọn mua và bảo dưỡng mặt bích DIN 2633
Tiêu chí chọn mua mặt bích DIN 2633
Khi chọn mua mặt bích DIN 2633, bạn cần chú ý đến các tiêu chí như kích thước, chất lượng vật liệu, cấu trúc của mặt bích. Đặc biệt, mặt bích phải đảm bảo tuân thủ tiêu chuẩn DIN.
Hướng dẫn bảo dưỡng và bảo quản mặt bích DIN 2633
Để bảo dưỡng và bảo quản mặt bích DIN 2633, bạn cần thường xuyên kiểm tra tình trạng của mặt bích, vệ sinh sạch sẽ và bảo dưỡng định kỳ.
Hiểu rõ về kích thước và các thông số kỹ thuật của mặt bích DIN 2633 sẽ giúp bạn lựa chọn và sử dụng mặt bích một cách hiệu quả. Hy vọng bài viết này đã cung cấp cho bạn những thông tin hữu ích về mặt bích DIN 2633.
Rất mong các bạn quan tâm và theo dõi valve.vn để cập nhật thông tin mới nhất về din 2633 flange dimensions!