Ansi 150 flange dimensions
Ansi 150 flange dimensions
Trong thế giới kỹ thuật, flange ANSI 150 là một yếu tố không thể thiếu. Đây là một thành phần quan trọng trong các hệ thống ống, giúp kết nối và niêm phong chặt chẽ. Bài viết này sẽ giúp bạn hiểu rõ hơn về kích thước tiêu chuẩn của flange ANSI 150, cách chọn và ứng dụng của nó.
Bài viết này sẽ giúp bạn tìm hiểu sâu hơn về ống inox, từ cấu tạo, ưu nhược điểm cho đến ứng dụng thực tế của nó trong các ngành công nghiệp.
Giới thiệu về flange ANSI 150
Định nghĩa về flange ANSI 150
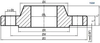
Flange ANSI 150 là một loại flange được sản xuất theo tiêu chuẩn ANSI B16.5. Nó có đường kính ngoài, đường kính trong và số lượng lỗ bulong cố định, được thiết kế để chịu áp lực làm việc tối đa 150 psi. Đây là một thông tin hết sức quan trọng về flange ANSI 150 - một thành phần không thể thiếu trong các hệ thống ống dẫn công nghiệp. Được thiết kế và sản xuất dựa trên tiêu chuẩn ANSI B16.5, flange này góp phần đảm bảo an toàn và hiệu suất làm việc của hệ thống.
Lịch sử và phát triển của flange ANSI 150
Flange ANSI 150 đã trải qua nhiều giai đoạn phát triển kể từ khi được giới thiệu lần đầu tiên. Ngày nay, nó đã trở thành một tiêu chuẩn trong ngành công nghiệp ống dẫn, được sử dụng rộng rãi trên toàn thế giới. Dựa trên các thông số kỹ thuật cố định, cụ thể là đường kính ngoài, đường kính trong và số lượng lỗ bulong, người dùng có thể dễ dàng lắp đặt và sử dụng flange ANSI 150 một cách chính xác và hiệu quả. Mặt khác, flange này còn được thiết kế để có khả năng chịu áp lực làm việc tối đa lên tới 150 psi.

Ansi 150 flange dimensions
Kích thước phổ biến của flange ANSI 150
Kích thước tiêu chuẩn của flange ANSI 150 thường nằm trong khoảng từ 1/2 inch đến 24 inch. Tuy nhiên, kích thước phổ biến nhất là từ 1 inch đến 12 inch. Đường kính ngoài, đường kính trong và số lượng lỗ bulong sẽ thay đổi tùy thuộc vào kích thước của flange. Điểm nổi bật khi nói về flange ANSI 150 đó là sự linh hoạt và đa năng. Dù ứng dụng trong môi trường áp lực thấp hay cao, loại flange này đều đảm bảo hiệu suất ổn định, giúp hệ thống hoạt động mạnh mẽ và an toàn.
Hướng dẫn đo kích thước ansi 150 flange dimensions
Để đo kích thước của flange ANSI 150, bạn cần đo đường kính ngoài, đường kính trong và khoảng cách giữa các lỗ bulong. Đồng thời, cần kiểm tra độ dày của flange và đường kính của lỗ bulong.
Hãy liên hệ với chúng tôi để tìm hiểu thêm về ống inox phù hợp với nhu cầu của bạn. Chúng tôi cam kết cung cấp sản phẩm chất lượng cao và dịch vụ tốt nhất để đáp ứng mọi yêu cầu của bạn trong lĩnh vực ống inox và van inox.
Ứng dụng của flange ANSI 150
Ứng dụng trong ngành công nghiệp
Flange ANSI 150 được sử dụng rộng rãi trong nhiều ngành công nghiệp khác nhau, bao gồm công nghiệp hóa chất, dầu khí, xây dựng, và nhiều ngành công nghiệp khác. Nó giúp kết nối các đường ống và thiết bị một cách an toàn và chắc chắn. Điều này đồng nghĩa với việc, dù là những công trình công nghiệp quy mô nhỏ hay lớn, flange ANSI 150 đều phù hợp và đóng vai trò quan trọng.Người dùng cũng không cần lo lắng về vấn đề bảo dưỡng, thay thế khi sử dụng flange ANSI 150.
Ứng dụng trong dự án xây dựng và cải tạo
Trong các dự án xây dựng và cải tạo, flange ANSI 150 thường được sử dụng để kết nối các đường ống và thiết bị. Nó giúp tạo ra một kết nối chắc chắn và an toàn, giúp ngăn chặn rò rỉ và tăng cường hiệu suất của hệ thống. Nhờ khả năng thích ứng với áp lực làm việc cao cùng với các thông số kỹ thuật cố định, việc thay thế hoặc sửa chữa flange trở nên dễ dàng và tiện lợi.Như vậy, với những đặc tính nổi bật cùng với sự linh hoạt trong việc lắp đặt và sử dụng, không khó để hiểu vì sao flange ANSI 150 lại được nhiều người ưa chuộng và lựa chọn.

Lựa chọn flange ANSI 150 phù hợp
Cách chọn kích thước flange ANSI 150 phù hợp
Để chọn kích thước flange ANSI 150 phù hợp, bạn cần xác định đường kính của đường ống cần kết nối. Sau đó, lựa chọn flange với đường kính trong phù hợp. Đồng thời, cần xem xét áp lực làm việc và nhiệt độ môi trường để đảm bảo flange có thể hoạt động an toàn và hiệu quả.
Yếu tố cần xem xét khi chọn flange ANSI 150
Để chọn flange ANSI 150, bạn cần xem xét nhiều yếu tố khác nhau, bao gồm kích thước, chất liệu, áp lực làm việc và nhiệt độ môi trường. Ngoài ra, bạn cũng cần xem xét yếu tố về kinh tế và khả năng cung cấp của nhà sản xuất.
Kết luận
Tổng kết thông tin về kích thước flange ANSI 150
Flange ANSI 150 là một thành phần quan trọng trong hệ thống ống dẫn, giúp kết nối và niêm phong các đường ống một cách an toàn và chắc chắn. Kích thước tiêu chuẩn và cách chọn flange phù hợp sẽ giúp bạn tối ưu hóa hiệu suất và độ an toàn của hệ thống. Hy vọng rằng thông tin trong bài viết này sẽ giúp bạn có cái nhìn rõ hơn về flange ANSI 150 và cách sử dụng nó một cách hiệu quả.
Rất mong các bạn quan tâm và theo dõi valve.vn để cập nhật thông tin mới nhất về ansi 150 flange dimensions