Tìm hiểu 1.5 150 flange dimensions
1.5 150 flange dimensions: Thông số kỹ thuật chuẩn ASME B16.5 và hướng dẫn lựa chọn
Trong quy trình thiết kế và lắp đặt hệ thống đường ống công nghiệp, việc xác định chính xác thông số kỹ thuật của phụ kiện là yếu tố sống còn để đảm bảo tính đồng bộ. Thực tế, không ít kỹ sư hiện nay gặp phải tình huống tréo ngoe: khi cần đặt hàng loại mặt bích 1.5 inch Class 150, mỗi nhà cung cấp lại đưa ra một bảng kích thước có sự sai lệch nhẹ, hoặc catalog không đồng nhất.
Sự nhầm lẫn này không chỉ gây lãng phí thời gian mà còn dẫn đến những rủi ro nghiêm trọng như lệch lỗ bulong, không khớp gioăng, gây rò rỉ khi vận hành. Để giải quyết triệt để vấn đề này, việc nắm vững bộ dữ liệu 1.5 150 flange dimensions theo tiêu chuẩn quốc tế ASME B16.5 là bắt buộc. Đây là bộ quy chuẩn cố định giúp mọi mặt bích từ các nhà sản xuất khác nhau trên thế giới đều có thể lắp ghép hoàn hảo với nhau.
Bài viết dưới đây sẽ cung cấp chi tiết về 1.5 150 flange dimensions, giúp bạn có cái nhìn chuyên sâu để tránh những sai lệch thiết kế đắt giá.

1.5 150 Flange Dimensions là gì? Định nghĩa và ý nghĩa các con số
Về mặt kỹ thuật, 1.5 150 flange dimensions là tập hợp các chỉ số kích thước chi tiết (đường kính ngoài, độ dày, tâm lỗ bulong...) của loại mặt bích có kích thước danh nghĩa 1.5 inch, thuộc cấp áp suất Class 150, tuân thủ theo tiêu chuẩn ASME B16.5 của Hoa Kỳ.
Để hiểu rõ hơn về thuật ngữ này, chúng ta cần bóc tách hai thành phần chính:
1.5 inch (NPS - Nominal Pipe Size): Đây là kích thước ống danh nghĩa. Lưu ý rằng 1.5 inch không phải là đường kính trong hay đường kính ngoài thực tế của ống, mà là một ký hiệu quy ước trong ngành piping.
1.5 150 (Pressure Class): Con số 150 đại diện cho định mức áp suất. Tuy nhiên, một sai lầm phổ biến là coi Class 150 tương đương với 150 psi. Thực tế, Class 150 là một cấp độ chịu áp suất - nhiệt độ (Pressure-Temperature Rating). Ở nhiệt độ môi trường chuẩn, loại mặt bích này có thể chịu được áp suất lên tới ~285 psi (đối với thép carbon).
Việc nắm rõ các thông số này giúp bên thiết kế và bên cung ứng vật tư có cùng một "ngôn ngữ chung", loại bỏ hoàn toàn khả năng lắp đặt sai lệch.
Nguyên lý tiêu chuẩn ASME B16.5 đối với mặt bích 1.5 inch
Tiêu chuẩn ASME B16.5 đóng vai trò là "hiến pháp" trong ngành sản xuất mặt bích toàn cầu. Nguyên lý của tiêu chuẩn này là cố định hóa các kích thước hình học quan trọng để đảm bảo tính lắp lẫn (interchangeability).
Khi bạn tra cứu 1.5 150 flange dimensions theo ASME B16.5, các thông số sau sẽ luôn được quy định khắt khe:
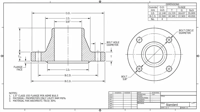
Outside Diameter (OD): Đường kính tổng thể của mặt bích.
Bolt Circle Diameter (BCD): Đường kính vòng tròn đi qua tâm các lỗ bulong.
Bolt Hole Diameter: Đường kính của từng lỗ xỏ bulong.
Number of Bolts: Số lượng bulong cần thiết để kết nối.
Flange Thickness: Độ dày tối thiểu của thân mặt bích để đảm bảo khả năng chịu lực.
Nhờ có tiêu chuẩn này, một mặt bích sản xuất tại Việt Nam vẫn có thể kết nối chính xác 100% với một chiếc van sản xuất tại Đức hoặc Mỹ, miễn là cả hai đều tuân thủ đúng Class 150 và kích thước 1.5 inch.
Chi tiết bảng thông số 1.5 150 flange dimensions
Dưới đây là các thông số kỹ thuật cốt lõi mà mọi kỹ sư cần ghi nhớ hoặc lưu lại trong sổ tay tra cứu khi làm việc với mặt bích 1.5 inch Class 150:
Các chỉ số kích thước cơ bản:
Đường kính ngoài (OD): 5.00 inch (tương đương 127 mm).
Đường kính vòng tròn bulong (BCD): 3.88 inch (tương đương 98.5 mm).
Số lượng lỗ bulong: 4 lỗ.
Kích thước bulong: 5/8 inch.
Đường kính lỗ bulong: 3/4 inch (lỗ luôn lớn hơn thân bulong để dễ xỏ).
Độ dày mặt bích (Thickness): 0.69 inch (tương đương 17.5 mm).
Chiều cao gờ (Raised Face height): 0.06 inch (tương đương 1.6 mm).

Phân tích kỹ thuật:
Thông số OD quyết định diện tích chiếm chỗ của mặt bích trong không gian lắp đặt, trong khi BCD là thông số quan trọng nhất để xác định xem mặt bích có lắp vừa với thiết bị đối diện hay không. Nếu BCD sai lệch dù chỉ vài milimet, bạn sẽ không thể xỏ được bulong qua, dẫn đến việc phải hủy bỏ phụ kiện.
Phân loại mặt bích 1.5 inch Class 150 theo phương thức kết nối
Mặc dù có cùng 1.5 150 flange dimensions về các thông số bên ngoài (OD, BCD, số lỗ bulong), nhưng tùy vào cách kết nối với ống, mặt bích 1.5 inch được chia thành các loại chính sau:
Weld Neck Flange (WN): Có cổ dài để hàn đối đầu với ống. Dùng cho các vị trí quan trọng, chịu ứng suất tốt.
Slip-On Flange (SO): Lồng trực tiếp vào ống và hàn fillet. Đây là loại phổ biến nhất vì dễ lắp đặt và giá thành rẻ.
Socket Weld Flange (SW): Ống được đưa vào hốc mặt bích rồi mới hàn. Thường dùng cho các hệ thống áp suất cao nhưng đường kính nhỏ.
Blind Flange (BL): Mặt bích mù, dùng để bịt kín đầu ống hoặc các ngách chờ của thiết bị.
Lưu ý: Dù kiểu kết nối khác nhau, nhưng phần "mặt" (face) của chúng hoàn toàn giống nhau về kích thước bulong và đường kính ngoài, cho phép chúng kết nối hỗn hợp với nhau trong cùng một hệ thống.
So sánh 1.5 inch Class 150 với các phân loại khác
Để tránh nhầm lẫn trong quá trình đặt hàng, cần phân biệt rõ sự khác biệt giữa các cấp độ:
Class 150 vs Class 300:
Cùng là kích thước 1.5 inch, nhưng Class 300 sẽ có độ dày lớn hơn đáng kể và vòng tròn bulong (BCD) cũng khác. Bạn không bao giờ có thể lắp một mặt bích Class 150 vào một chiếc van Class 300 vì lỗ bulong sẽ không khớp nhau.
1.5 inch vs 2 inch (cùng Class 150):
Mặt bích 1.5 inch thường được dùng cho các đường nhánh (branch line) hoặc hệ thống cung cấp nhỏ. Trong khi đó, mặt bích 2 inch (NPS 2) có OD lớn hơn (6 inch) và vòng tròn bulong rộng hơn, phục vụ cho lưu lượng lớn hơn.
Kết luận: Tiêu chuẩn kích thước là duy nhất cho mỗi sự kết hợp giữa NPS và Class. Pressure Class không chỉ quyết định áp suất mà còn quyết định toàn bộ hình học của mặt bích.
Ứng dụng thực tế của mặt bích 1.5 inch Class 150
Nhờ kích thước nhỏ gọn và khả năng chịu áp mức trung bình, mặt bích 1.5 inch Class 150 xuất hiện dày đặc trong:
Hệ thống HVAC: Các đường ống dẫn nước lạnh, nước nóng cho điều hòa trung tâm tòa nhà.
Cấp thoát nước: Các trạm bơm dân dụng và công nghiệp nhẹ.
Dây chuyền thực phẩm & dược phẩm: Các đường ống dẫn nguyên liệu hoặc khí nén hỗ trợ sản xuất.
Hệ thống phụ trợ (Utility lines): Dẫn hơi áp thấp, dầu bôi trơn trong các nhà máy nhiệt điện hoặc lọc hóa dầu.
Nếu hệ thống của bạn hoạt động trong điều kiện nhiệt độ bình thường và áp suất dưới 19 bar (285 psi), việc chọn 1.5 150 flange dimensions là phương án kinh tế và hiệu quả nhất.
Những sai lầm thường gặp khi chọn mặt bích 1.5 150
Trong thực tế, nhiều rủi ro phát sinh từ những hiểu lầm sau:
Nhầm lẫn về áp suất thực tế: Nghĩ rằng Class 150 chỉ chịu được 150 psi. Như đã phân tích, ở nhiệt độ thường nó chịu được gấp đôi con số đó, nhưng ở nhiệt độ cao (ví dụ 400°C), khả năng chịu áp của nó giảm sâu xuống dưới 100 psi.
Dùng sai Gasket: Chọn gioăng quá lớn hoặc quá nhỏ so với phần Raised Face (RF). Với kích thước 1.5 inch, gioăng phải được cắt chính xác theo tiêu chuẩn ASME B16.21.
Trộn lẫn tiêu chuẩn (Standard Clashing): Cố gắng lắp mặt bích ANSI/ASME (Hệ inch) vào các thiết bị chuẩn DIN hoặc JIS (Hệ mét). Hai hệ này có số lỗ và BCD hoàn toàn khác nhau, không thể lắp chung.
Bỏ qua vật liệu: Chỉ nhìn vào kích thước mà quên mất vật liệu (A105, SS304, SS316). Kích thước đúng nhưng vật liệu sai sẽ gây ra ăn mòn điện hóa hoặc phá hủy mối hàn.
Checklist lựa chọn 1.5 150 flange đúng tiêu chuẩn
Trước khi ký duyệt đơn hàng, hãy kiểm tra danh sách sau:
Kích thước danh nghĩa: Đã chính xác là NPS 1.5 inch chưa?
Cấp áp suất: Đã đúng Class 150 chưa?
Tiêu chuẩn thiết kế: Có tuân thủ ASME B16.5 không?
Kiểu mặt (Face): Là RF (Raised Face - có gờ) hay FF (Flat Face - mặt phẳng)?
Vật liệu: Thép Carbon hay Inox?
Độ nhám bề mặt (Surface Finish): Có đạt chuẩn 125-250 AARH để làm kín gioăng không?

FAQ - Giải đáp thắc mắc về Flange Dimensions
1. 1.5 150 flange dimensions chịu được áp suất tối đa bao nhiêu?
Ở nhiệt độ môi trường khoảng 38°C, mặt bích thép A105 Class 150 chịu được 285 psi (20 bar). Tuy nhiên, khi nhiệt độ tăng lên, áp suất định mức sẽ giảm dần.
2. Mặt bích 1.5 inch hệ ANSI có lắp vừa hệ DIN (PN16) không?
Không. Mặt bích ANSI 1.5 inch có 4 lỗ bulong với BCD là 98.5mm, trong khi DIN DN40 (tương đương 1.5 inch) có BCD là 110mm. Chúng không khớp lỗ bulong với nhau.
3. Có bao nhiêu lỗ bulong trên mặt bích 1.5 Class 150?
Tất cả mặt bích 1.5 inch Class 150 chuẩn ASME B16.5 đều có 4 lỗ bulong.
4. Sự khác biệt giữa RF và FF trong thông số 1.5 150 là gì?
RF (Raised Face) có một gờ nổi cao 1.6mm ở vùng tiếp xúc gioăng, giúp tập trung áp lực nén. FF (Flat Face) phẳng hoàn toàn, thường dùng khi kết nối với các thiết bị bằng gang để tránh nứt vỡ khi siết bulong.
Kết luận
Hiểu rõ và tra cứu chính xác 1.5 150 flange dimensions không chỉ là công việc của một content writer hay nhân viên thu mua, mà là nền tảng kỹ thuật giúp các hệ thống đường ống vận hành an toàn. Việc tuân thủ nghiêm ngặt tiêu chuẩn ASME B16.5 sẽ loại bỏ những sai số chết người, giảm thiểu chi phí sửa chữa và đảm bảo độ bền tối đa cho công trình.
Hy vọng bài viết này đã cung cấp cho bạn bộ dữ liệu đầy đủ và chuyên sâu nhất về loại mặt bích phổ biến này.
Rất mong các bạn quan tâm và theo dõi valve.vn để cập nhật thông tin mới nhất về 1.5 150 flange dimensions