Bích thép DN65 là gì? Khái niệm và đặc điểm
Bích Thép DN65 Là Gì? Thông Số Kỹ Thuật Và Hướng Dẫn Chọn Đúng Tiêu Chuẩn
Bạn đang phụ trách vật tư cho một dự án lắp đặt đường ống DN65 hệ thống nước, PCCC hoặc điều hòa trung tâm HVAC? Trong quá trình làm việc, chắc hẳn bạn đã từng gặp phải những tình huống dở khóc dở cười: đặt mua mặt bích nhưng khi mang ra công trường lại không thể lắp vừa vào van, hoặc mỗi nhà cung cấp gửi một bảng báo giá với các thông số hoàn toàn khác nhau.
Việc nhầm lẫn tiêu chuẩn bích thép không chỉ khiến tiến độ thi công bị đình trệ mà còn gây phát sinh chi phí nhân công và vận chuyển đáng kể. Dù chỉ là một phụ kiện kết nối nhỏ, nhưng nếu chọn sai, toàn bộ hệ thống áp lực sẽ đối mặt với rủi ro rò rỉ. Bài viết này sẽ cung cấp cái nhìn chuyên sâu từ chuyên gia, giúp bạn nắm vững thông số, phân loại và cách chọn bích DN65 chính xác nhất cho công trình của mình.

2. Bích thép là gì? Khái niệm và đặc điểm
Bích thép là một loại phụ kiện cơ khí có dạng hình đĩa, được sản xuất từ thép carbon hoặc thép hợp kim. Chức năng chính của nó là kết nối các đoạn ống có đường kính danh nghĩa DN65 (tương đương đường kính ngoài ống thực tế khoảng 73mm - 76mm tùy tiêu chuẩn) với các thiết bị khác như van, máy bơm, hoặc bình áp lực.
Đặc điểm nhận diện:
Phương thức kết nối: Các mặt bích được liên kết với nhau bằng bộ bulong, tạo thành một hệ thống đồng nhất.
Tính linh hoạt: Cho phép tháo lắp dễ dàng để bảo trì, vệ sinh hoặc thay thế các đoạn ống mà không cần cắt bỏ cấu trúc bền vững.
Cơ chế làm kín: Luôn đi kèm với gasket (gioăng) đặt ở giữa hai mặt tiếp xúc để triệt tiêu các khe hở siêu nhỏ.
Insight chuyên gia: Rất nhiều người lầm tưởng rằng chỉ cần đọc mã "DN65" là nhà cung cấp sẽ giao đúng hàng. Thực tế, DN65 chỉ là chỉ số kích thước lỗ rỗng bên trong. Để bích có thể lắp vừa, bạn buộc phải xác định thêm tiêu chuẩn sản xuất (JIS, ANSI, DIN) và áp lực làm việc.
3. Nguyên lý hoạt động của bích thép trong hệ thống áp lực
Nguyên lý làm việc của bích thép dựa trên sự kết hợp lực ép cơ khí. Khi bạn siết chặt các bulong, hai mặt phẳng của bích sẽ ép mạnh vào nhau. Miếng gasket nằm giữa sẽ chịu lực nén, biến dạng dẻo để lấp đầy các rãnh hoặc vết xước trên bề mặt bích, từ đó ngăn chặn hoàn toàn lưu chất rò rỉ ra ngoài.
Ba yếu tố quyết định độ kín của mối nối bích:
Lực siết bulong: Phải đủ lớn và phân bổ đều để tránh làm vênh bích.
Chất lượng Gasket: Phải phù hợp với nhiệt độ và hóa chất của lưu chất bên trong.
Độ phẳng bề mặt (Surface Finish): Bề mặt bích phải nhẵn, không có vết xước sâu theo chiều xuyên tâm.

4. Phân loại bích thép phổ biến trên thị trường
Tùy vào điều kiện vận hành và ngân sách dự án, bạn có thể lựa chọn một trong các loại cấu tạo sau:
Bích hàn trượt (Slip-on Flange - SO): Loại phổ biến nhất cho size DN65. Ống được luồn vào trong lỗ bích và hàn ở cả mặt trong lẫn mặt ngoài. Ưu điểm là dễ cân chỉnh và giá thành rẻ.
Bích hàn cổ (Weld Neck Flange - WN): Có phần cổ cao để hàn đối đầu trực tiếp với ống. Loại này chịu áp lực và rung động cực tốt, thường dùng trong các hệ thống khí nén hoặc hơi nóng cao áp.
Bích mù (Blind Flange - BL): Không có lỗ ở giữa, dùng để đóng kín đầu ống hoặc các ngã chờ của hệ thống PCCC.
Bích ren (Threaded Flange): Kết nối bằng ren thay vì hàn. Phù hợp cho các khu vực nhạy cảm với nhiệt độ hoặc dễ cháy nổ, nơi không thể thực hiện thao tác hàn.
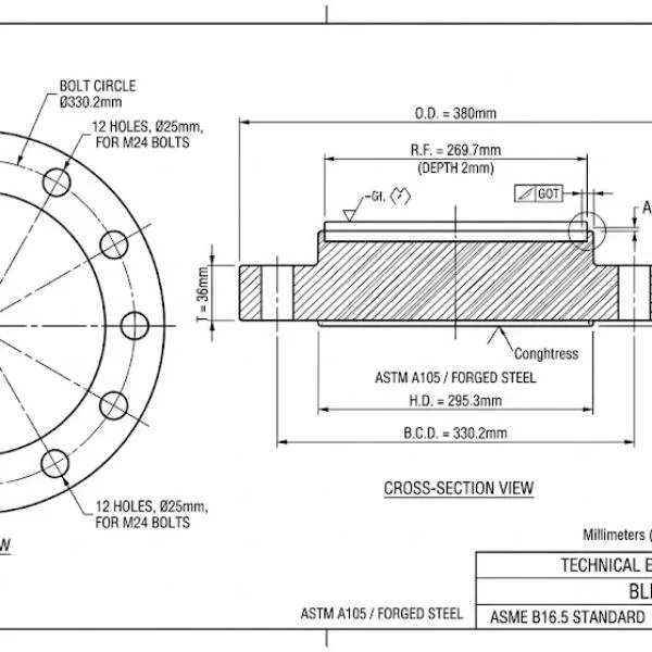
5. Thông số kỹ thuật bích thép (QUAN TRỌNG)
Đây là phần mà mọi kỹ sư và nhân viên thu mua cần đặc biệt lưu ý. Mỗi tiêu chuẩn quốc tế sẽ có cách thiết kế bích thép khác nhau về kích thước hình học.
Các thông số cần kiểm tra:
OD (Outer Diameter): Đường kính ngoài tổng thể của mặt bích.
PCD (Pitch Circle Diameter): Đường kính vòng tròn tâm các lỗ bulong.
Số lỗ bulong: DN65 thường có 4 hoặc 8 lỗ tùy áp lực.
Độ dày (Thickness): Quyết định khả năng chịu áp suất của bích.
Bảng thông số tham khảo cho bích DN65:
| Tiêu chuẩn | OD (mm) | PCD (mm) | Số lỗ bulong | Đường kính lỗ (mm) |
|---|---|---|---|---|
| JIS 10K | 175 | 140 | 4 | 19 |
| DIN PN16 | 185 | 145 | 4 | 18 |
| ANSI Class 150 | 178 | 139.7 | 4 | 19 |
Lưu ý: Bạn có thể thấy các thông số này rất gần nhau (ví dụ PCD 140mm của JIS và 139.7mm của ANSI). Tuy nhiên, chỉ cần lệch 0.3mm kết hợp với sai số đúc, việc xỏ bulong sẽ trở thành "nhiệm vụ bất khả thi".

6. So sánh bích DN65 JIS vs ANSI vs DIN
Việc hiểu sự khác biệt giữa các tiêu chuẩn giúp bạn tránh được lỗi "râu ông nọ chắp cằm bà kia".
| Tiêu chí | JIS (Nhật Bản) | ANSI (Mỹ) | DIN (Đức/Châu Âu) |
|---|---|---|---|
| Đơn vị đo | mm | inch (65A ~ 2-1/2") | mm |
| Ký hiệu áp lực | 5K, 10K, 20K | Class 150, 300, 600 | PN10, PN16, PN25 |
| Phổ biến tại VN | Rất cao (PCCC, HVAC) | Dầu khí, Hóa chất | Cấp thoát nước |
| Lắp lẫn được không | KHÔNG | KHÔNG | KHÔNG |
Kết luận: Đừng bao giờ tin vào lời khuyên "cứ mua bích DN65 là lắp được". Hãy luôn yêu cầu nhà cung cấp xác nhận tiêu chuẩn cụ thể trước khi xuất kho.
7. Tại sao chọn sai tiêu chuẩn bích DN65 gây lỗi nghiêm trọng?
Khi bạn đặt nhầm một mặt bích JIS 10K cho một hệ thống đang dùng van tiêu chuẩn DIN PN16, hậu quả không chỉ là việc "không khớp".
Sai lỗ bulong: Các lỗ không trùng tâm khiến bạn không thể xỏ bulong qua.
Sai PCD: Ngay cả khi cố tình "chế" lại lỗ, tâm lực ép sẽ bị lệch, dẫn đến việc gasket không được nén đều.
Hậu quả: Gây rò rỉ lưu chất ngay khi test áp suất. Trong hệ thống PCCC, điều này có thể làm hỏng toàn bộ bơm bù áp. Trong hệ thống HVAC, nó gây thất thoát nước lạnh và làm giảm hiệu suất làm mát toàn tòa nhà.
8. Ứng dụng thực tế: Bích thép dùng ở đâu?
DN65 là kích thước "vàng" trong thi công cơ điện (MEP) và công nghiệp nhẹ:
Hệ thống cấp thoát nước: Sử dụng bích thép mạ kẽm DN65 để chống ăn mòn.
Hệ thống PCCC: Kết nối các đường ống nhánh, họng tiếp nước và đầu vào của các cụm van báo động.
Hệ thống HVAC: Dùng trong các đường ống dẫn nước chiller, tháp giải nhiệt.
Sản xuất thực phẩm & Đồ uống: Sử dụng bích thép đen hoặc inox DN65 trong các dây chuyền không yêu cầu vệ sinh cực cao.
9. Những sai lầm thường gặp khi mua bích thép DN65
Chỉ quan tâm đến giá: Bích giá rẻ thường là hàng đúc thiếu độ dày hoặc sai lệch PCD, gây khó khăn khi lắp đặt.
Bỏ qua vật liệu: Dùng bích thép đen cho hệ thống nước sạch sẽ gây gỉ sét nhanh chóng. Hãy ưu tiên bích mạ kẽm điện phân hoặc nhúng nóng.
Không kiểm tra áp lực hệ thống: Dùng bích 5K cho hệ thống có áp suất làm việc 12 bar sẽ dẫn đến tình trạng bích bị biến dạng, cong vênh.
Quên mua Gasket và Bulong đồng bộ: Một bộ kết nối hoàn chỉnh phải bao gồm 2 mặt bích, 1 gioăng và đủ số lượng bulong tương ứng.
10. Checklist chọn bích thép đúng chuẩn chuyên gia
Để đơn hàng của bạn luôn chính xác 100%, hãy check qua danh sách sau:
Xác định tiêu chuẩn: JIS 10K, ANSI 150 hay DIN PN16?
Xác định loại bích: Bích rỗng (SO) hay bích mù (BL)?
Xác định vật liệu: Thép SS400, thép CT3 hay thép A105?
Yêu cầu xử lý bề mặt: Đen, mạ kẽm hay sơn chống gỉ?
Xác nhận số lỗ bulong: DN65 có loại 4 lỗ và 8 lỗ tùy áp lực.
11. FAQ - Giải đáp thắc mắc về bích DN65
1. Bích thép dn65 là bao nhiêu mm?
DN65 là đường kính danh nghĩa, tương đương với ống có đường kính ngoài (OD) thực tế khoảng 73mm (theo hệ ISO) hoặc 76mm (hệ ASTM).
2. Bích DN65 thép đen và mạ kẽm khác gì nhau?
Bích thép đen phù hợp cho hệ thống dầu, khí. Bích mạ kẽm có lớp bảo vệ chống gỉ, chuyên dùng cho hệ thống nước và PCCC.
3. Có thể dùng bích DN80 cho ống DN65 không?
Tuyệt đối không. Kích thước lỗ và PCD hoàn toàn khác nhau, không thể kết nối.
Kết luận
Việc lựa chọn bích thép tuy đơn giản nhưng đòi hỏi sự tỉ mỉ về mặt thông số kỹ thuật. Một sự sai lệch nhỏ về tiêu chuẩn cũng có thể dẫn đến những thiệt hại lớn về kinh tế và thời gian. Hãy luôn ưu tiên các nhà cung cấp uy tín, có đầy đủ CO/CQ và am hiểu về các tiêu chuẩn quốc tế để được hỗ trợ tốt nhất Bích thép dn65.