DIN PN16 Flange là gì? Định nghĩa và nguồn gốc tiêu chuẩn
DIN PN16 Flange: Tiêu chuẩn, Thông số và Cách chọn lựa chuẩn xác
Bạn đã bao giờ rơi vào tình huống dở khóc dở cười khi đặt mua một lô mặt bích cho dự án, nhưng đến khi lắp đặt thì các lỗ bu lông hoàn toàn không khớp với thiết bị? Đây là một sai lầm phổ biến nhưng vô cùng tai hại trong ngành kỹ thuật đường ống. Việc nhầm lẫn giữa tiêu chuẩn DIN PN16 và ANSI hoặc các tiêu chuẩn khác khiến toàn bộ hệ thống bị đình trệ, gây lãng phí ngân sách và thời gian nghiêm trọng.
Trong kỹ thuật, sai tiêu chuẩn đồng nghĩa với sai toàn bộ hệ thống. DIN flange là một trong những loại mặt bích phổ biến nhất tại thị trường Việt Nam, nhưng không phải ai cũng hiểu đúng về các thông số kỹ thuật để đưa ra quyết định mua hàng chính xác. Bài viết này sẽ phân tích chi tiết mọi khía cạnh về mặt bích tiêu chuẩn DIN PN16 dưới góc nhìn của chuyên gia.

DIN Flange là gì? Định nghĩa và nguồn gốc tiêu chuẩn
DIN flange là loại mặt bích được sản xuất dựa trên tiêu chuẩn DIN (Deutsches Institut für Normung – Viện Tiêu chuẩn Đức). Đây là bộ tiêu chuẩn công nghiệp khắt khe của Đức, sau này trở thành nền tảng cho nhiều tiêu chuẩn quốc tế khác. Ký hiệu PN16 (Pressure Nominal) đại diện cho mức áp suất danh định mà mặt bích có thể chịu tải liên tục, cụ thể là 16 bar (tương đương khoảng 1.6 MPa) ở điều kiện nhiệt độ tiêu chuẩn.
Tại Việt Nam và các nước Châu Âu, tiêu chuẩn này cực kỳ thịnh hành nhờ tính đồng bộ cao. Các đặc điểm nhận diện cốt lõi bao gồm:
Khoảng cách lỗ bu lông: Được tính toán chính xác theo hệ mét để kết nối đồng bộ với van và thiết bị chuẩn DIN.
Bề mặt làm kín: Được gia công tinh xảo để đảm bảo độ kín khít tối đa.
Vật liệu đa dạng: Từ thép carbon cho hệ thống nước đến inox cho ngành thực phẩm.
Nguyên lý hoạt động của mặt bích PN16 trong hệ thống đường ống
Về cơ bản, DIN flange hoạt động như một cầu nối tháo lắp linh hoạt. Thay vì hàn chết các đoạn ống với nhau, việc sử dụng mặt bích cho phép kỹ thuật viên tách rời các bộ phận để bảo trì hoặc thay thế một cách dễ dàng.
Một mối nối mặt bích hoàn chỉnh bao gồm 3 thành phần không thể tách rời: 2 mặt bích + gioăng làm kín (gasket) + hệ thống bu lông. Khi siết chặt bu lông, lực nén sẽ ép chặt gioăng vào bề mặt của hai mặt bích, tạo ra một rào cản ngăn chặn môi chất rò rỉ ra bên ngoài.
Insight chuyên gia: Lợi thế lớn nhất của flange không chỉ là kết nối, mà là tạo ra sự linh hoạt cho hệ thống. Trong các môi trường rung lắc hoặc có sự giãn nở nhiệt, mối nối mặt bích chịu lực tốt hơn và giảm thiểu rủi ro nứt vỡ đường ống so với các mối hàn cứng.
Phân loại DIN Flange phổ biến nhất hiện nay
Để đáp ứng các yêu cầu kỹ thuật khác nhau, mặt bích chuẩn DIN PN16 được chia thành nhiều kiểu dáng và vật liệu:
Phân loại theo kiểu kết nối
Slip-on Flange (Mặt bích hàn lồng): Ống được lồng vào trong mặt bích và hàn ở cả hai mặt trong ngoài. Loại này dễ lắp đặt và chi phí thấp.
Weld Neck Flange (Mặt bích cổ cao): Có phần cổ dài được hàn đối đầu với ống. Loại này chịu áp suất và rung động cực tốt, thường dùng cho các đường ống quan trọng.
Blind Flange (Mặt bích mù): Không có lỗ ở giữa, dùng để bịt đầu ống hoặc ngăn dòng chảy tại các vị trí chờ.
Threaded Flange (Mặt bích ren): Kết nối bằng ren thay vì hàn, phù hợp cho các hệ thống không được phép sử dụng lửa (nguy cơ cháy nổ).
Phân loại theo vật liệu
Thép Carbon (A105, Q235): Dùng cho nước sạch, dầu khí, những môi trường không có tính ăn mòn cao.
Inox (SUS304, SUS316): Chuyên dùng cho ngành thực phẩm, hóa chất nhờ khả năng chống gỉ sét tuyệt đối.
Gang: Thường thấy trong các hệ thống cấp thoát nước đô thị nhờ giá thành rẻ và chịu nén tốt.
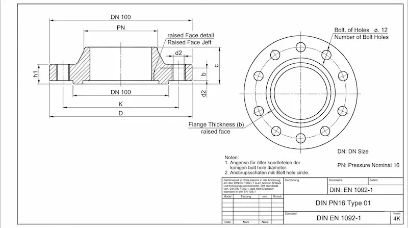
Thông số kỹ thuật DIN PN16: Những con số "biết nói"
Việc nắm rõ thông số kỹ thuật là điều kiện tiên quyết để tránh mua nhầm hàng. Đối với một sản phẩm DIN flange, bạn cần quan tâm đến các chỉ số sau:
Áp suất danh định (PN): 16 bar. Đây là ngưỡng an toàn để hệ thống vận hành liên tục.
Kích thước danh định (DN): Dao động từ DN15 (ống nhỏ) đến DN600+ (ống công nghiệp lớn).
Đường kính ngoài (OD): Tổng kích thước của mặt bích.
Số lỗ bu lông và đường kính lỗ: Đây là điểm khác biệt lớn nhất giữa các tiêu chuẩn. Ví dụ, cùng một kích thước DN50, nhưng chuẩn DIN PN16 có thể có số lỗ khác với chuẩn ANSI.
Nhấn mạnh: Chỉ cần sai lệch 1mm ở đường kính lỗ bu lông hoặc số lượng lỗ, bạn sẽ không thể thực hiện kết nối. Hãy luôn đối chiếu với bảng tra tiêu chuẩn DIN 2576 hoặc DIN 2502 trước khi đặt hàng.

So sánh DIN PN16 với các tiêu chuẩn ANSI và JIS
Để có cái nhìn khách quan, hãy xem bảng so sánh dưới đây để hiểu tại sao chúng không thể thay thế trực tiếp cho nhau:
| Tiêu chuẩn | Áp suất tương đương | Khu vực phổ biến | Đặc điểm lỗ bu lông |
|---|---|---|---|
| DIN PN16 | 16 bar | Châu Âu, Việt Nam | Hệ mét, khoảng cách lỗ chuẩn Đức. |
| ANSI 150 | ~19 bar | Mỹ, Dầu khí | Hệ inch, hoàn toàn khác chuẩn DIN. |
| JIS 10K | ~10 bar | Nhật Bản, Hàn Quốc | Hệ mét nhưng khoảng cách lỗ khác DIN. |
Kết luận: Bạn tuyệt đối không được dùng mặt bích chuẩn DIN PN16 để lắp vào một chiếc van chuẩn ANSI 150 trừ khi sử dụng bộ chuyển đổi. Việc cố tình "chế" hoặc khoan lại lỗ sẽ làm hỏng kết cấu cơ khí và gây mất an toàn áp suất.
Ứng dụng thực tế: Khi nào cần dùng DIN Flange?
Nhờ sự cân bằng giữa khả năng chịu áp lực và chi phí, din flange xuất hiện trong hầu hết các hạ tầng kỹ thuật:
Hệ thống cấp thoát nước dân dụng và công nghiệp: Kết nối các máy bơm công suất lớn và bồn chứa.
Hệ thống HVAC: Dùng trong các đường ống dẫn nước lạnh cho điều hòa trung tâm của tòa nhà.
Nhà máy thực phẩm & đồ uống: Thường dùng loại inox 304 tiêu chuẩn DIN để đảm bảo vệ sinh.
Hệ thống PCCC: Kết nối các trụ cứu hỏa và đường ống dẫn nước áp lực cao trong tòa nhà.
Sai lầm thường gặp và hệ quả "đắt giá"
Nhầm lẫn giữa PN10 và PN16: Ở một số kích thước nhỏ, PN10 và PN16 có thông số lỗ giống nhau, nhưng ở kích thước lớn (từ DN200 trở lên), chúng hoàn toàn khác nhau về số lỗ và độ dày.
Chọn sai vật liệu: Dùng mặt bích thép cho môi trường hóa chất dẫn đến tình trạng ăn mòn thủng ống chỉ sau vài tháng.
Không kiểm tra độ dày: Nhiều loại mặt bích "gầy" trên thị trường không đạt độ dày tiêu chuẩn DIN, dẫn đến việc bị cong vênh khi siết bu lông.
Hệ quả: Rò rỉ môi chất gây thất thoát, hư hỏng máy móc lân cận và tốn kém chi phí dừng máy để thay thế toàn bộ.
Checklist: Cách chọn mua DIN Flange đúng kỹ thuật
Để mua được sản phẩm chuẩn xác, hãy mang theo checklist này khi làm việc với nhà cung cấp:
Xác định rõ tiêu chuẩn là DIN (không phải JIS hay ANSI).
Xác định áp suất làm việc thực tế (nếu dưới 16 bar thì PN16 là phù hợp).
Đo chính xác kích thước DN của ống đang sử dụng.
Chọn vật liệu dựa trên môi trường (Inox cho hóa chất, thép cho nước).
Yêu cầu nhà cung cấp cung cấp bản vẽ kỹ thuật hoặc CO/CQ nếu là dự án lớn.
Lưu ý khi lắp đặt: Hãy siết bu lông theo hình sao (đối xứng) để lực ép được phân bổ đều. Sử dụng đúng loại gioăng (cao su cho nước, teflon cho hóa chất) để đảm bảo độ bền.
FAQ - Những câu hỏi thường gặp về DIN PN16 Flange
1. DIN PN16 flange chịu được áp suất bao nhiêu?
Trong điều kiện nhiệt độ phòng (khoảng 20°C), nó chịu được áp suất tối đa là 16 bar. Khi nhiệt độ tăng cao, khả năng chịu áp sẽ giảm xuống theo biểu đồ nhiệt - áp của vật liệu.
2. Có thể dùng mặt bích DIN PN16 thay cho ANSI không?
Không. Khoảng cách lỗ bu lông của hai tiêu chuẩn này khác nhau hoàn toàn, bạn sẽ không thể xỏ bu lông qua được.
3. Mặt bích PN16 có dùng được cho hệ thống khí nén không?
Có, nếu áp suất làm việc của hệ thống khí nén dưới 16 bar. Tuy nhiên, cần lưu ý chọn loại gioăng làm kín phù hợp với khí nén.
4. Sự khác biệt lớn nhất giữa PN10 và PN16 là gì?
Sự khác biệt nằm ở độ dày của mặt bích và khả năng chịu tải. Từ kích thước DN200 trở lên, số lượng lỗ bu lông của PN16 thường nhiều hơn PN10 để đảm bảo khả năng giữ kín ở áp suất cao hơn.
Kết luận
Việc hiểu rõ về din flange không chỉ giúp bạn trở thành một người mua hàng thông thái mà còn đảm bảo sự an toàn tuyệt đối cho công trình. Chọn đúng tiêu chuẩn, đúng vật liệu và lắp đặt đúng kỹ thuật là ba yếu tố then chốt giúp hệ thống đường ống bền bỉ theo thời gian Din pn16 flange.