Lap joint stub end là gì?
Lap Joint Stub End: Giải pháp tối ưu chi phí và kỹ thuật lắp đặt đường ống
Bạn đang thiết kế một hệ thống ống thép không gỉ (Inox) nhưng ngân sách dự án bị thắt chặt do giá vật liệu tăng cao? Hay bạn đang đối mặt với bài toán lắp đặt tại những vị trí chật hẹp, nơi việc căn chỉnh lỗ bulong trên các loại mặt bích hàn cổ (Weld Neck) trở thành một cơn ác mộng kỹ thuật?
Trong ngành kỹ thuật piping, việc lựa chọn phụ kiện không chỉ dừng lại ở độ bền mà còn phải tối ưu về kinh phí và nhân công. Lap joint stub chính là "chìa khóa" giải quyết đồng thời cả hai vấn đề này. Bằng cách tách biệt phần tiếp xúc lưu chất và phần chịu lực cơ học, giải pháp này giúp giảm tới 40-70% chi phí vật liệu inox trong khi vẫn đảm bảo khả năng tháo lắp linh hoạt tuyệt vời. Bài viết dưới đây sẽ phân tích chuyên sâu về cấu tạo, thông số kỹ thuật và lý do vì sao kỹ sư cơ khí luôn ưu tiên sử dụng lap joint stub cho các hệ thống hiện đại.

Lap joint stub end là gì?
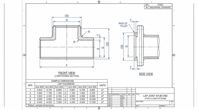
Lap joint stub là một loại phụ kiện đường ống dạng đoạn ống ngắn, một đầu được thiết kế để hàn giáp mối (butt-weld) trực tiếp vào ống dẫn, đầu còn lại được loe rộng ra (flared end) tạo thành một mặt phẳng tì. Phụ kiện này không bao giờ đứng độc lập mà luôn đi kèm với một mặt bích xoay (Lap Joint Flange/Backing Flange).
Về vai trò kỹ thuật, stub end đóng vai trò là bề mặt làm kín chính. Khi kết hợp với mặt bích, phần mặt loe của stub end sẽ tiếp xúc trực tiếp với gioăng (gasket) và lưu chất, trong khi mặt bích xoay phía sau chỉ đóng vai trò ép chặt mối nối thông qua lực siết bulong.
Cách thức sử dụng:
Lồng mặt bích xoay vào đoạn ống trước.
Hàn đầu đuôi của stub end vào đầu ống.
Khi kết nối hai đoạn ống, mặt bích có thể xoay tự do quanh trục stub end để căn chỉnh các lỗ bulong sao cho khớp nhau hoàn hảo trước khi siết chặt.
Nguyên lý hoạt động của lap joint stub
Cơ chế vận hành của lap joint stub dựa trên nguyên lý tách rời liên kết cứng. Trong các loại mặt bích thông thường, hướng lỗ bulong bị cố định ngay sau khi hàn. Nếu thợ hàn lệch chỉ vài độ, việc kết nối với thiết bị phía sau sẽ cực kỳ khó khăn.
Với lap joint stub, phần stub end được hàn chết vào ống để dẫn lưu chất. Tuy nhiên, mặt bích tì phía sau hoàn toàn không được hàn vào ống hay stub end. Nó "trượt" trên thân ống và được giữ lại bởi phần đầu loe của stub end.
Lợi ích thực tế:
Căn chỉnh lỗ bulong: Do mặt bích xoay tự do 360 độ, kỹ sư có thể dễ dàng xoay mặt bích để khớp với các lỗ bulong của van hoặc thiết bị khác mà không cần quan tâm đến vị trí hàn ban đầu.
Giảm ứng suất dư: Quá trình lắp đặt không gây ra ứng suất xoắn lên mối hàn, giúp hệ thống hoạt động ổn định hơn dưới tác động của rung động hoặc giãn nở nhiệt.
Phân loại lap joint stub phổ biến
Để đáp ứng các tiêu chuẩn khắt khe về áp lực và không gian, lap joint stub được chia thành hai nhóm chính dựa trên chiều dài và vật liệu.
1. Theo chiều dài (Pattern)
Short Pattern (Mẫu ngắn): Tuân theo tiêu chuẩn MSS SP-43. Loại này có chiều dài đoạn thân rất ngắn, thường dùng trong các không gian hẹp và các hệ thống áp lực thấp đến trung bình.
Long Pattern (Mẫu dài): Tuân theo tiêu chuẩn ASME B16.9. Đây là loại phổ biến nhất trong công nghiệp dầu khí và hóa chất. Chiều dài thân lớn hơn giúp việc hàn giáp mối dễ dàng hơn và tránh ảnh hưởng nhiệt trực tiếp lên bề mặt làm kín của mặt bích.
2. Theo vật liệu chế tạo
Stainless Steel (Inox 304, 316/316L): Dùng cho môi trường ăn mòn, thực phẩm hoặc hóa chất.
Carbon Steel (Thép cacbon): Dùng cho hệ thống nước, dầu không ăn mòn.
Alloy Steel (Thép hợp kim): Dùng cho điều kiện nhiệt độ và áp suất cực cao.
Insight chuyên gia: Trong các hệ thống ống Inox, người ta thường dùng stub end bằng Inox nhưng mặt bích xoay (backing flange) lại bằng thép cacbon sơn phủ. Đây là mẹo kỹ thuật giúp tiết kiệm chi phí mà vẫn đảm bảo tính chống ăn mòn tại điểm tiếp xúc lưu chất.
Thông số kỹ thuật và bảng kích thước chuẩn
Việc lựa chọn lap joint stub đòi hỏi sự chính xác tuyệt đối về thông số để khớp với ống và mặt bích đi kèm. Hai tiêu chuẩn quốc tế được áp dụng rộng rãi nhất là ASME B16.9 (cho hệ công nghiệp nặng) và MSS SP-43 (cho hệ thống thép không gỉ nhẹ).
Các thông số cần quan tâm:
NPS (Nominal Pipe Size): Kích thước ống định danh (DN15 - DN600+).
Schedule (Độ dày thành ống): Phải tương ứng với độ dày của ống dẫn (Sch10, Sch40, Sch80...).
L (Length): Chiều dài tổng thể của stub end.
G (Diameter of Lap): Đường kính phần đầu loe.

Hình ảnh giới thiệu thông số Lap joint stub end
| NPS (Inch) | DN (mm) | Đường kính ngoài (OD) | Chiều dài Long (ASME) | Chiều dài Short (MSS) |
|---|---|---|---|---|
| 1/2" | 15 | 21.3 | 51 | 38 |
| 1" | 25 | 33.4 | 51 | 38 |
| 2" | 50 | 60.3 | 76 | 64 |
| 4" | 100 | 114.3 | 102 | 76 |
| 8" | 200 | 219.1 | 152 | 102 |
So sánh stub end vs Weld Neck vs Slip-on Flange
| Tiêu chí | Stub End + Lap Joint | Weld Neck Flange | Slip-on Flange |
|---|---|---|---|
| Khả năng xoay | Có (Linh hoạt tuyệt đối) | Không (Cố định) | Không (Cố định sau hàn) |
| Chi phí vật liệu | Rất thấp (Inox + Thép) | Cao (Hoàn toàn Inox) | Trung bình |
| Độ bền mối nối | Tốt | Xuất sắc | Trung bình |
| Khó khăn lắp đặt | Dễ | Rất khó (cần căn chuẩn) | Dễ |
Kết luận: Nếu hệ thống của bạn yêu cầu tháo lắp định kỳ để vệ sinh hoặc bảo trì, bộ đôi stub end và mặt bích rời là lựa chọn số 1. Weld Neck chỉ nên dùng cho các vị trí áp lực cực cao (Class 900 trở lên) nơi mối hàn cần độ toàn vẹn tuyệt đối.
Vì sao dùng lap joint stub giúp tiết kiệm chi phí?
Đây là lý do chính khiến các nhà thầu cơ điện ưu tiên lap joint stub. Trong một hệ thống ống thép không gỉ, mặt bích là phụ kiện chiếm trọng lượng và giá thành rất lớn.
Tối ưu hóa vật liệu: Stub end là phần duy nhất tiếp xúc với lưu chất ăn mòn, nên nó phải làm bằng vật liệu cao cấp (Inox 316). Trong khi đó, mặt bích phía sau hoàn toàn không tiếp xúc lưu chất, do đó có thể dùng thép cacbon (A105) hoặc thép mạ kẽm rẻ tiền hơn.
Giá thành: Tổng giá trị của "Stub end Inox + Flange thép" thường thấp hơn 30-50% so với một bộ "Weld Neck Flange Inox" cùng kích thước.
Bảo trì: Khi thay thế, bạn chỉ cần thay stub end nếu bị ăn mòn, còn mặt bích thép vẫn có thể tái sử dụng nhiều lần.
Ứng dụng thực tế của lap joint stub
Nhờ sự linh hoạt và kinh tế, phụ kiện này có mặt trong nhiều lĩnh vực:
Công nghiệp hóa chất: Hệ thống dẫn axit, kiềm yêu cầu ống inox nhưng cần tháo lắp để kiểm tra sự ăn mòn bên trong.
Ngành thực phẩm và đồ uống: Các đường ống vi sinh cần vệ sinh thường xuyên, việc dùng stub end giúp tháo rời các đoạn ống nhanh chóng.
Xử lý nước thải: Sử dụng ở các cụm van, máy bơm nơi thường xuyên có rung động và cần sự linh hoạt khi lắp đặt.
Hệ thống áp lực thấp: Các đường ống dẫn khí, nước làm mát trong nhà máy.
Sai lầm thường gặp khi sử dụng Lap joint stub end
Dưới đây là những lỗi kỹ thuật có thể gây thiệt hại lớn cho hệ thống:
Nhầm lẫn giữa Short và Long Pattern: Việc dùng Short Pattern cho các đường ống yêu cầu tiêu chuẩn ASME B16.9 có thể khiến mối hàn nằm quá gần mặt bích, gây khó khăn cho việc kiểm tra siêu âm mối hàn (RT/UT).
Sai lệch độ dày (Schedule): Nếu stub end mỏng hơn ống chính, điểm nối sẽ trở thành "nút thắt cổ chai" dễ bị nứt vỡ dưới áp suất.
Kết hợp sai loại mặt bích: Lap joint stub bắt buộc phải đi kèm với Lap Joint Flange (loại có lỗ khoét được bo tròn góc để khớp với đầu loe của stub end). Nếu dùng Slip-on Flange thông thường, mặt bích sẽ không tì sát được vào stub end, gây rò rỉ.
Hướng dẫn lắp đặt lap joint stub đúng chuẩn
Checklist chọn hàng
Kiểm tra tiêu chuẩn: ASME B16.9 hay MSS SP-43?
Kiểm tra vật liệu: Stub end có đúng loại inox yêu cầu không?
Kiểm tra độ dày: Có khớp với ống (Sch10, Sch40...)?
Kiểm tra bề mặt làm kín (Serrated finish): Có phẳng và không bị trầy xước không?
Các bước lắp đặt
Lồng mặt bích: Luôn nhớ lồng mặt bích xoay vào ống trước khi hàn stub end.
Làm sạch: Vệ sinh đầu ống và đầu stub end để chuẩn bị hàn giáp mối.
Hàn: Thực hiện hàn đối đầu theo quy trình (GTAW/SMAW). Đảm bảo mối hàn ngấu đều.
Căn chỉnh: Đặt gioăng vào giữa hai đầu stub end. Xoay mặt bích sao cho các lỗ bulong trùng khớp với đối tác.
Siết lực: Siết bulong theo sơ đồ đối xứng để đảm bảo lực ép lên gioăng là đồng đều nhất.
Câu hỏi thường gặp (FAQ)
1. Lap joint stub end khác gì với Flange thông thường?
Flange thông thường là một khối liền mạch được hàn trực tiếp. Stub end là một đoạn ống tách rời, đóng vai trò mặt đệm, cần thêm mặt bích rời để ép lại.
2. Có thể dùng stub end mạ kẽm cho hệ thống vi sinh không?
Không. Phần stub end tiếp xúc với lưu chất nên phải dùng Inox 304/316. Chỉ có mặt bích rời phía sau mới có thể dùng thép mạ kẽm để tiết kiệm.
3. Stub end có chịu được áp lực cao không?
Có. Khi kết hợp với mặt bích đúng Class (150, 300, 600), nó hoàn toàn đáp ứng được áp suất theo thiết kế của ASME. Tuy nhiên, nó thường được dùng phổ biến nhất ở Class 150 và 300.
4. Khi nào nên dùng Short Pattern?
Dùng khi không gian lắp đặt cực kỳ hạn chế hoặc khi hệ thống ống thép không gỉ được thiết kế theo tiêu chuẩn nhẹ MSS SP-43 để giảm trọng lượng.
Kết luận
Lap joint stub end không chỉ đơn thuần là một phụ kiện nối ống; nó là một giải pháp thông minh giúp cân bằng giữa chi phí vật liệu và tính tiện dụng trong lắp đặt. Bằng cách hiểu rõ các thông số về kích thước và tiêu chuẩn ASME/MSS, bạn có thể tự tin triển khai các hệ thống đường ống phức tạp với hiệu quả kinh tế cao nhất.
Nếu bạn đang tìm kiếm nguồn hàng lap joint stub đạt chuẩn quốc tế cho dự án sắp tới, hãy đảm bảo rằng nhà cung cấp có thể cung cấp đầy đủ chứng chỉ vật liệu và đáp ứng đúng thông số Schedule của hệ thống Lap joint stub end.